Кнопка Включения Ближнего Света не Горит Ваз 2114 – Нестандартные причины
Не горит фара ближнего и дальнего света на ВАЗ-2114
Почему не горит ближний свет? Основные причины неисправности:
- Не горит лампа ближнего света. В наших авто установлены двухнитиевые галогенные лампы, т.е. и ближний и дальний свет фар даёт одна лампа, просто загораются разные нити лампа. Замените лампу на заведомо рабочую. Чтобы узнать, как праильно заменить лампу, смотрите в статье Замена ламп
- Перегорел предохранитель. Перегорел предохранитель ближнего света, проверьте предохранитель, замените его. Ответы как найти, проверить и заменить предохранитель вы найдёте в статье Предохранители.
- Окислились провода. Смотрим в блок предохранителей, а именно колодки всех шин к блоку предохранителей и реле. Они могут отсоединиться, плохо закреплены, окислиться. Исправляем. Так же смотрим провода на соединении с самой лампой, возможно окислилась контактная группа фары.
- Кнопка включения ближнего. Дело в том, что возможно сломался включатель (кнопка) ближнего света или габаритных огней. Проблема типичная: отошёл или окислился провод.
- Постоянно перегорает предохранитель ближнего света. Такая ситуация часто встречается у владельцев российского автопроизводителя. Тут может быть 2 варианта:
- где-то коротит провод;
- опять же плохой контакт с предохранителем.
Если же вам ничего не помогло, то потребуется разбираться в проводке, рекомендуем обратиться к специалисту-электрику.

Почему не горит приборка на ваз 2114 – АвтоТоп
Подсветка стрелок в панели приборов ВАЗ 2114 своими руками
На этом автомобиле, так же как и на модели ВАЗ 2113, устанавливают электронную комбинацию приборов от ВАЗ 2115. В ней кроме приборов контроля работы двигателя и его систем, дополнительно установлены контрольные лампы, в количестве 12 штук и 6 лампочек, которые освещают шкалы контрольных приборов.
Причины неисправностей
Существует целый ряд причин, по которым подсветка приборов ваз 2114 может перестать корректно работать.
- лампочки перегорели или же вышли из строя диоды (при светодиодной подсветке);
- окислились контакты и разъемы;
- перегорели предохранители;
- произошли повреждения в самой проводке;
- нарушилась целостность общей контактной платы;
- пропал контакт с «массой».
Для того, чтобы выяснить точную причину, придется выполнить демонтажные работы и провести диагностику. Никаких сложных инструментов для этого не потребуется — достаточно иметь простейший тестер (мультиметр) либо вольтметр.

Не горит фара ближнего и дальнего света на ВАЗ-2114 — автомобильный портал
[/i] Пропала подсветка панели приборов на ВАЗ-2114: не горит — автомобильный порталЧитайте также: Описание автосигнализации Старлайн А63 инструкции по установке, настройке и эксплуатацииПричины неисправности
Задать вопрос экспертуМнение экспертаЧерноволов Василий, эксперт-автомеханик 1-й категорииЕсли у вас есть вопросы, с удовольствием помогу!Потухла приборная панель страшный сон любого водителя, поскольку с исчезновением света могут последовать и другие неисправности, такие как неработающие приборы спидометра и других указателей. Чтобы установить точную причину, почему не горит подсветка, необходимо, следуя инструкции, аккуратно разобрать панель приборов и последовательно прозвонить с помощью тестера всю схему. Не работает плафон освещения салона ваз 2114: схема, замена лампы По всем вопросам пишите мне, я обязательно объясню все нюансы!Почему не горит приборка на ваз 2114 — АвтоТоп
- Предохранитель.
- Лампочки подсветки и их электроцепь.
- Проводка.
- Неисправность в блоке предохранителей.
- Повреждение платы.
Как поменять подсветку, если не горит панель приборов на ВАЗ 2114: Замена лампочек » НаДомкрат Сегодня всё кардинально изменилось. Современные автомобили оснащаются мощными двигателями, развивают высокие скорости, поэтому конструкторы оснащают машины большим количеством систем пассивной и активной безопасности. Контроль их работы осуществляется контрольными лампами, установленными на панели приборов, а на некоторых моделях светодиодами или светодиодными лентами.
НЕ ГОРИТ ОДНА ИЛИ НЕСКОЛЬКО ЛАМПОЧЕК
Рассмотрим первый вариант неисправностей, когда не работает подсветка панели приборов ВАЗ 2114. Начинать проверку работоспособности подсветки необходимо с проверки исправности предохранителя в этой цепи. Это относится только к случаю, когда не горят все лампы подсветки.
Блок предохранителей на этой модели, так же как и на автомобилях ВАЗ 2113 и ВАЗ 2115, находится в подкапотном пространстве со стороны водителя. Необходимо снять его крышку и отыскать предохранитель, отвечающий за подсветку, это F10. Он рассчитан на ток силой 7,5 А. Если он перегорел, замените его новым и проверьте работу лапочек подсветки.
Далее события могут развиваться следующим образом, либо всё работает, либо нет. Если подсветка приборной панели работает, проверка на этом заканчивается, в противном случае необходимо продолжить поиск неисправности. Она может заключаться в плохом контакте разъёмов или обрыве цепи питания ламп подсветки.
Какой бензин экономичнее?Для поиска и устранения этих проблем необходимо вспомнить элементарные понятия законов электротехники, и иметь автомобильный светодиодный пробник электрических цепей, тестер или вольтметр. Если нет ни того ни другого, то лучше обратиться за помощью к автоэлектрику.

Подсветка кнопок и консоли управления печкой
- Перегоревший предохранитель
- Сгоревшие дорожки на плате являются не ремонт пригодными. В данной ситуации всё решается установкой новой схемы. Пугаться этого не стоит, её стоимость не велика, а замену можно выполнить самостоятельно.
- Обрыв в электропроводке можно назвать наиболее сложным, неприятным и трудно определяемым вариантом поломки. В этом случае, питание на панель приборов или один из индикаторов не подаётся, и он перестаёт работать. Определение неисправности происходит с помощью мульти метра. Нужный провод перезванивается, определяется место разрыва или плохого контакта и при необходимости заменяется или зачищается.
Схема плафона основного освещения салона ВАЗ 2114 Важно! Фиксаторы, как и сам патрон, очень хрупкие – обычное органическое стекло. Отжимаем очень осторожно, не торопимся и обязательно поочередно, понемногу выдвигая патрон. Сломался фиксатор – патрон можно выбросить.
Этапы устранения неисправности
Для диагностики и ремонта системы подсветки для панели приборов на ВАЗ 2114 потребуется пара гаечных ключей, размером на 8 и 21, и набор отверток. Общая процедура демонтажно-наладочных работ сводится к следующим действиям:
- Снять накладку, предварительно выкрутив три крепежных самореза и демонтировав выступ из кронштейна кузовной части.
- Извлечь пять монтажных шурупов из правой части консоли, снять экран.
- Разъединить клемму с аккумулятором, подходящую к отрицательному источнику питания, а также колодку с пучком жил от системы прикуривателя.
- Снимается ручка рычажного механизма.
- Демонтируется фиксатор вентиляционной системы печки.
- Выкручиваются шурупы, крепящие кронштейны рулевой колонки.
- Вывинчиваются патроны, снимаются световод и декоративная панельная вставка.
- Вынимается лампочка для подсветки гидрокорректора с помощью ключа на 21.
- В заключении выкручиваются шурпы, фиксирующие верх и низ самой панели приборов, чтобы можно было снять ее.
Как только панель приборов снята, можно приступать к поиску причины, почему не горит подсветка. В первую очередь на ВАЗ 2114 принято проверять лампы. Если они исправны или после замены поврежденного экземпляра система так и не заработала, следует почистить все контакты от оксидной пленки. Для ускорения процесса лучше воспользоваться специальными смесями, типа ВД-40.
По завершении всех этих манипуляций надо обязательно выполнить прозвонку проводки на предмет обнаружения разрыва. Для это потребуется мультивольтметр или тестер. Если все проверенные элементы исправны, но подсветка не горит, виноват предохранительный модуль. Его нужно заменить на аналогичный по техническим характеристикам (и желательно того же производителя) блок.
По завершении ремонтных работ все оборудование требуется поставить на место, следуя обратной последовательности, описанной в инструкции для ВАЗ 2114. При этом нужно соблюдать особую аккуратность, чтобы не повредить подсоединенные диоды, не деформировать приборные стрелки и не разъединить проводники.
Обратите внимание! Если пропала подсветка, но при этом сохраняют полную функциональность автомагнитола и прочие электроприборы, скорее всего, причина неисправности находится в блоке предохранителей, его нужно заменить на новый.

Перегоревшие лампочки
- Сначала выполняются все действия, о которых говорилось выше, в пункте о замене лампочек.
- Но вместо выкручивания лампочек следует выкрутить четыре болта по углам задней стенки приборной панели.
- Задняя стенка аккуратно снимается вместе с платой, которая крепится к стенке пластиковыми защёлками.Контактная плата в приборной панели ВАЗ 2114 держится на простых пластиковых защёлках
- Защёлки отгибаются ножом, повреждённая плата извлекается и заменяется новой. Затем выполняется обратная сборка панели.
Сгоревший предохранитель
Если собираетесь ставить светодиоды, то предварительно рекомендуется проверить их тестером на отсутствие короткого замыкания.
Демонтаж приборной панели
Чтобы выполнить замену лампочек в приборной панели ВАЗ 2114, ее сперва придется демонтировать. Без этого мероприятия вы никак не сможете получить доступ к проблемному устройству.

Потому сейчас разберемся, как разобрать панель приборов на ВАЗ 2114:
- Открутите три самореза, демонтируйте накладку и выступ снизу. Он выводится из кронштейна кузова вашего автомобиля;
- Теперь демонтируйте еще пять саморезов, расположенных на правой накладке консоли;
- Снимите экран;Отключите минусовую клемму с аккумуляторной батареи;
- Отключите колодку жгута проводов от прикуривателя;
- С рычага снимите рукоятку;
- Крепеж электрического вентилятора системы отопления, то есть печки, также предстоит снять;
- Открутите болты фиксации кронштейна колодки руля;
- Демонтируйте светодиоды, лампочные патроны и декоративные вставки на панели;
- Открутите лампу подсветки гидрокорректора. Для этого вам пригодится ключ на 21;
- Теперь остается снять саморезы сверху и снизу.
Таким образом, мы разобрались, как снять приборную панель на вашем ВАЗ 2114. Обязательно после проведенных мероприятий накройте чем-нибудь электросхему проводки, чтобы не допустить попадание туда влаги, пыли и всевозможных загрязнений.
Приступайте к замене ламп, которые оказались неисправными. При этом многих интересует, сколько лампочек в приборной панели ВАЗ 2114. Их там 13, но заменить можно только 8. Не забудьте очистить контакты, если на них есть следы окисления. В некоторых случаях приходится менять не саму лампу, а патрон для нее.
Производитель Цена Светодиодные лампы Sho-Me SM-T5 (синие, белые и красные (Корея) 80 рублей — пара Светодиодный модуль повышенной яркости SMD 20 рублей Светодиод Sho-me SM-T5-cap-super (белый) 50 рублей Галогеновые лампы Osram и Philips Около 40-80 рублей за единицу Причины неисправности
- Тахометр (для мгновенной фиксации числа оборотов коленчатого вала).
- Индикатор неисправности модуля управления функционированием мотора.
- Сигнальная лампа о включенном левом повороте.
- Индикация пониженного масляного давления в моторе.
- Лампа индикации ABS.
- Сигнальный индикатор неисправности в узле иммобилайзера.
- Символ индикации повышенной температуры хладагента в контуре охлаждения двигателя.
- Лампа, свидетельствующая об аварийном состоянии узлов тормозной системы.
- Индикация указателя правого поворота.
- Символ индикации уровня заряда аккумулятора.
- Спидометр (контроллер скорости).
- Индикация курсовой устойчивости.
- Сигнализатор о недопустимости перехода трансмиссии на последующую ступень.
- Символ дальнего света.
- Индикатор противотуманных огней кормы.
- Лампа активированного ближнего света.
- Сигнализатор включенной противотуманной оптики передка.
- Кнопка сброса суточного пройденного расстояния.
- Дисплей маршрутного контроллера.
- Лампа, сигнализирующая о необходимости закрыть двери.
- Сигнализатор о низком уровне топливного остатка.
- Символ отсутствия требуемого давления внутри шин.
- Лампа неисправности в системе электроусилителя рулевого механизма.
- Индикация ремня безопасности.
- Сигнализатор о поломках в моторном узле (используется нечасто).
- Индикатор целостности и исправности подушки безопасности.
Выбор лампочек
Принцип работы схемы: реле, своими нормально замкнутыми контактами замыкает кнопку приборки. При включении зажигания схема дает начинает работать через пол секунды, а потом включает реле, которое размыкает кнопку.Все равно не горит освещение — другие причины
Нередко случается, что после разборки светильника лампа оказывается исправной, но освещение не работает. Что в этом случае можно предпринять? Попробуем найти неисправность своими силами.
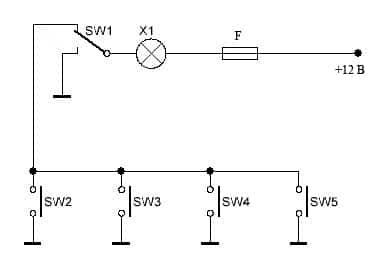
Схема плафона основного освещения салона ВАЗ 2114
Для начала взглянем на принципиальную электрическую схему основного салонного светильника ВАЗ 2114.

Электросхема основного внутрисалонного светильника ВАЗ 2114
- Х1 – лампа светильника;
- SW1 – встроенный в светильник переключатель режимов;
- SW2-SW5 – концевые выключатели в стойках дверей;
- F – предохранитель в монтажном блоке.
Свет не горит вообще. Неисправен предохранитель, патрон лампы или переключатель SW1. Исправность предохранителя проверить несложно. Вместе с плафоном освещения салона он питает лампы сигнала торможения, штурманского фонаря, багажного отделения, подсветки замка зажигания, маршрутный компьютер. Если все это работает, то предохранитель исправен.
Если потухло сразу все, то открываем крышку капота и находим монтажный блок. Он находится в моторном отсеке сразу за лобовым стеклом напротив водителя. На фото ниже блок помечен стрелкой.
Местоположение монтажного блока в ВАЗ 2114Нас интересует предохранитель F3, помеченный на фото ниже стрелкой.
Этот предохранитель отвечает за фонарь освещения салонаПри помощи пинцета, идущего в комплекте, снимаем сгоревший, на его место устанавливаем новый того же номинала (10, в некоторых модификациях 7.5 А).
Далее патрон. Он весь на виду. Снимаем лампочку, осматриваем цоколь и контакты патрона. При необходимости чистим. Остался переключатель. Что с ним делать, мы выясним в следующем абзаце.
Не работает режим 2 «Постоянно включен». Причина либо в выключателе, либо в проводе, идущем от фонаря к “массе”. Он черного цвета. Вскрываем плафон (см. раздел «Как снять плафон и заменить лампу») и проверяем состояние контактов переключателя. Их 3: средний подвижный и два крайних неподвижных. На фото ниже они обозначены как 1 и 2 соответственно.
Контакты встроенного в плафон переключателя режимовПричины отключения приборной панели на ВАЗ 2114
Схема штурманского ВАЗ 2114 Для выполнения этой процедуры потребуются отвертки, фигурная и обычная, два ключа на 8 и 21. Далее выполняются следующие действия:
