Постоянно Горит Стоп Сигнал Ваз 2105 – Проверка лампочек
Не Горит Один Стоп Сигнал Ваз 2107
Форсмажорная ситуация, когда стоп-сигналы не работают, нередко случается на ВАЗ 2107 (и ВАЗ в целом), и бывалые водители пробуют поправить это как можно быстрее. Так как строго запрещено ездить без остановок в любом случае.
Отлично, если работает одна либо верхняя планка (если есть), то, по последней мере, вы сможете как-то предупредить автомобилистов, которые движутся сзади, что вы решили затормозить. Но если обе лампы не загораются при нажатии на педаль. ждать проблем.
Это в особенности небезопасно в критериях насыщенного городского движения, когда никто не держится нужного расстояния меж передвигающимися автомобилями, заявленного в правилах дорожного движения. А отвлеченный шофер, привыкший уделять свое внимание на подсвеченные ножки впереди и сразу тормозящий, может очень отлично въехать в заднюю часть вашего автомобиля.
Даже если этого не произойдет, обладатель автомобиля с неосвещенными огнями получит полную словесную выразительность и эквивалент!

Задние фонари ВАЗ 2107: замена платы и стекла, почему не работают стоп-сигналы, тюнинг и схема
- Отсоедините разъем двумя проводами от концевого выключателя;
- С помощью гаечных ключей «17» ослабьте затягивание двух гаек: удерживая нижнюю гайку, поверните верхнюю;
Не Горит Один Стоп Сигнал Ваз 2107 ~ Сгоревший предохранитель довольно часто становится причиной отказа ряда оборудования, включая световые прибору. Предохранители проверяют визуально и с помощью мультиметра.
Порядок поиска неисправности
Наиболее часто выходят из строя лампы. Начинать лучше всего с них. Если они исправны, снимите с лягушки штекера и соедините их между собой. На штекерах должно быть 12.
Блок предохранителей ремонтируется только в специализированных мастерских. В данном случае могла перегореть дорожка платы.
Не горят стоп сигналы. Как найти неисправность.
Крайне редко происходит обрыв провода стоп сигналов. Жгут проводки выходит из-под щитка приборов и идет по полу автомобиля под ковриком. Оба фонаря стоп сигналов соединены параллельно. Проверяем целостность провода от лягушки до фонарей. При необходимости заменяем отдельно взятый стоповый провод.
Читайте также: Комбинация приборов FLASH-X3 ВАЗ 2110-2112, 2113-2115, LADA 4×4 (с 2009 г.в.), Chevrolet NIVA

Не горят стоп сигналы на ваз 2107: почему не работает, схема
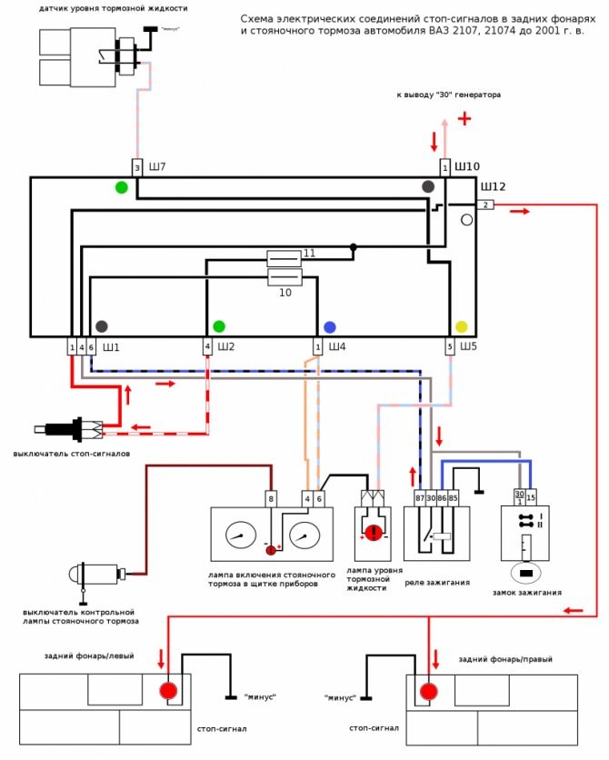
- 3 – монтажный блок;
- 8 – лампы габаритного света и стоп-сигналов;
- 11 – концевик тормозных огней;
- К4 – реле контроля исправности ламп стоп-сигнала и габаритных огней.
Постоянно горит задний ход: основная причина, как устранить Кстати, еще водители часто сталкиваются с тем, что не горят стоп-сигналы , но тут потенциальных причин уже намного больше.
Проверка тормозных ламп и «патронов» стоп-сигналов
Рекомендуется начинать поиск и устранение неисправностей стоп-сигналов с проверки ламп. Для этого нужно открыть багажник и снять задние фонари, после чего можно будет добраться до стоп-сигналов. В зависимости от марки и модели автомобиля способ снятия задних фонарей может быть разным, и на некоторых автомобилях можно даже добраться до стоп-сигналов без этой процедуры.
Важно: некоторые модели автомобилей устроены таким образом, что при выходе из строя одного стоп-сигнала второй гаснет автоматически. Следовательно, при проверке лучше всего вкрутить лампы в оба стоп-сигнала, чтобы убедиться, что проблема не связана с их неисправностью.
Когда замена ламп не устранила неисправность, необходимо следить за тем, чтобы не произошло окисления «патронов» стоп-сигналов. Также проверьте, что розетки подключены к жгуту проводов автомобиля. В случае сомнений можно отсоединить контакты проводки, очистить их мелкозернистой наждачной бумагой, смазать электропроводящей смазкой и снова подключить.
Примечание: для проверки патронов после проведения вышеуказанных манипуляций используйте новые лампы (снятые с других осветительных приборов), так как возможно, что ранее установленные осветительные приборы пришли в негодность одновременно с повреждением контактов.

Почему не горят стопы на ваз 2106.
- Перегорел предохранитель F11 (10А). Предохранитель состоит из плавкой вставки, которая перегорает, когда в цепи протекает большой ток. Предохранитель рассчитан на соответствующую величину тока, поэтому его пробой может быть связан с возникновением короткого замыкания или установкой мощных ламп.
- Короткое замыкание или повреждение проводки. Такая неисправность часто возникает после проведения работ в салоне или багажнике.
- Контактное окисление. На стыке ламп с цоколем или в месте подключения проводов к фарам со временем может образоваться окисление, причины которого — плохой контакт и попадание влаги в блок фар задних фонарей.
- Перегорание лампы накаливания: Лампы имеют свое преимущество, поэтому неработоспособность стоп-сигналов часто связана с их перегораниями.
- Неисправность лягушки или лягушки — это датчик, обнаруженный в конструкции педали тормоза. Датчик замыкает контакт при нажатии педали тормоза, в результате чего загорается стоп-сигнал.
Задние фонари ВАЗ 2107: схема подключения, неисправности, замена и ремонт, инструкции с видео и фото Контакты стоп-сигналов, как проверить, как отремонтировать Если ноги заменены на новые, но неисправность не устранена, необходимо будет убедиться, что патроны стоп-сигналов не окислены. При этом следует следить за тем, чтобы картриджи соприкасались с проводкой автомобиля.
Характерные неисправности
Если не горят стоп сигналы, то это может быть сама лампа стоп сигнала плафона автомобиля. Одновременный выход ламп обоих плафонов редок, но и такая поломка встречается.
- Стоп сигналы на ваз 2107 могут отказать из за плохого соединения электрических разъемов автомобиля.
- Вышел из строя предохранитель.
- Вышла из строя лягушка тормоза.
- Проблемы лампы стоп сигнала.
Лампа может перегореть по ряду причин. Это и длительный срок эксплуатации, и заводской брак, и грязь или вода, попавшие на цоколь.
Наиболее часто встречается такой заводской брак, как отсутствие соединения корпусного проводка лампы. В этом случае цоколь лампы часто начинает крутиться даже от незначительных усилий.

Иногда окисляется припой на цоколе. Эту проблему легко устранить, зачистив припой ножом или наждачной шкуркой.
Окисляется и плата плафона. В этом случае поверхность очищается стиральной резинкой до появления блеска.
В разных плафонах одновременно могут возникнуть разные неисправности. Это может произойти и одновременно!
Визуальный осмотр лампы может ничего не дать. Ее следует проверять прямым подключением к источнику +12.
Плохое соединение разъема. Задние фонари соединяются с электрической схемой разъемами. Именно здесь таится максимальное количество неприятностей.
Стопари могут не гореть от плохого соединения или от окисления платы. Снимите разъем и протрите плату стиральной резинкой до блеска.
Поломка может быть и в самом разъеме. Контакты разъема очень нежные. Они могут отойти или отгореть. Если они отошли, их немного приподнимают вверх иголкой. Если контакт отгорел, то либо замените его, либо замените весь разъем.
В блоке предохранителей есть разъем Ш12. Там тоже могут отойти контакты. Пошевелите его.
Неисправность лягушки. Лягушка расположена сверху педали тормоза. Проверить ее исправность очень просто. Снимите оба разъема с лягушки и соедините их между собой. Если стоп сигналы загорелись, значит ее необходимо заменить.
Лягушка крепится гайкой на штоке и контргайкой. Снимите фиксирующую пластмассовую гайку, снимите контргайку и выньте лягушку из кронштейна.
При установке лягушки добейтесь такого положения, чтобы стопари загорались при нажатии на педаль тормоза на 1,5-2 см. Обязательно устанавливайте защитную пластмассовую гайку штока. Это предохранит шток от выхода из строя.
Почему не горят стоп сигналы: как быстро найти и устранить причину
Пара слов о «реле исправности»

Проблема с предохранителем на стоп-сигналы
Обрыв проводки Все контакты реле пронумерованы. На клеммах блока проверяют напряжения:
Подводим итоги

Причин, из-за которых может постоянно гореть задний ход, не так много. Фактически это всего 2 потенциальные причины.
Кому-то удается их диагностировать и устранить своими руками. Другие предпочитают обратиться к проверенному автоэлектрику. Тут уже каждый выбирает тот вариант, который ему больше подходит.
Кстати, еще водители часто сталкиваются с тем, что не горят стоп-сигналы , но тут потенциальных причин уже намного больше.
Приходилось ли вам сталкиваться с подобной неисправностью? Из-за чего она возникла и как вы с ней справились?
Проблемы со включателем
- Залипание датчика . Речь идет о датчике заднего хода. Он же выключатель заднего хода. Именно он отвечает за активацию и деактивацию лампы при включении и выключении задней передачи;
- Неисправности проводки . Либо же проводка, которая соединяет задние фонари с этим датчиком, вышла из строя, произошло какое-то замыкание, обрыв и пр. Как итог, лампочка не выключается после завершения маневра задним ходом, либо вообще включается сразу при запуске зажигания.
Стандартная версия стоп-сигнала Учитывая сложность электросхем современных автомобилей, более правильным решением будет визит к проверенному автоэлектрику. Но окончательный выбор за вами.
Характерные неисправности
Если не горят стоп сигналы, то это может быть сама лампа стоп сигнала плафона автомобиля. Одновременный выход ламп обоих плафонов редок, но и такая поломка встречается.
- Стоп сигналы на ваз 2107 могут отказать из за плохого соединения электрических разъемов автомобиля.
- Вышел из строя предохранитель.
- Вышла из строя лягушка тормоза.
- Проблемы лампы стоп сигнала.
Рекомендуем: Как улучшить свет фар на ВАЗ-2110 своими руками?
Лампа может перегореть по ряду причин. Это и длительный срок эксплуатации, и заводской брак, и грязь или вода, попавшие на цоколь.
Наиболее часто встречается такой заводской брак, как отсутствие соединения корпусного проводка лампы. В этом случае цоколь лампы часто начинает крутиться даже от незначительных усилий.

Иногда окисляется припой на цоколе. Эту проблему легко устранить, зачистив припой ножом или наждачной шкуркой.
Окисляется и плата плафона. В этом случае поверхность очищается стиральной резинкой до появления блеска.
В разных плафонах одновременно могут возникнуть разные неисправности. Это может произойти и одновременно!
Визуальный осмотр лампы может ничего не дать. Ее следует проверять прямым подключением к источнику +12.
Плохое соединение разъема. Задние фонари соединяются с электрической схемой разъемами. Именно здесь таится максимальное количество неприятностей.
Стопари могут не гореть от плохого соединения или от окисления платы. Снимите разъем и протрите плату стиральной резинкой до блеска.
Поломка может быть и в самом разъеме. Контакты разъема очень нежные. Они могут отойти или отгореть. Если они отошли, их немного приподнимают вверх иголкой. Если контакт отгорел, то либо замените его, либо замените весь разъем.
В блоке предохранителей есть разъем Ш12. Там тоже могут отойти контакты. Пошевелите его.
Неисправность лягушки. Лягушка расположена сверху педали тормоза. Проверить ее исправность очень просто. Снимите оба разъема с лягушки и соедините их между собой. Если стоп сигналы загорелись, значит ее необходимо заменить.
Лягушка крепится гайкой на штоке и контргайкой. Снимите фиксирующую пластмассовую гайку, снимите контргайку и выньте лягушку из кронштейна.
При установке лягушки добейтесь такого положения, чтобы стопари загорались при нажатии на педаль тормоза на 1,5-2 см. Обязательно устанавливайте защитную пластмассовую гайку штока. Это предохранит шток от выхода из строя.
Отсутствует масса
- Не горят — требуется искать проблему. Причем сигнал о том, что не горят обе лампы на автомобиле, свидетельствует о необходимости проведения глобальной проверки, так как парно световые элементы перегорают в редких случаях.
- Горят наполовину — если горит только один стоп-сигнал, значит надо разобрать вторую фару и проверить исправность лампы. С большей вероятностью из строя вышел осветительный элемент(лампочка), и реже причиной может быть нарушение контакта.
Неисправность генератора автомобиля Подводя итог, следует отметить, что обычно на поиск неисправностей уходит некоторое время, а на их устранение — еще меньше. Чтобы не создать аварийную ситуацию на дороге, необходимо регулярно проверять работу всех осветительных приборов автомобиля при повседневной эксплуатации транспортного средства на регулярной основе один раз в месяц.
Как выполняется выезд с парковки задним ходом
Есть 3 основные причины, почему лягушка или концевик может не работать:
Несмотря на несколько разные процессы, суть неисправности одна и та же. Устранить ее можно путем зачистки лягушки, либо же за счет замены включателя стопов.
Если же ни один из вариантов не подходит, высока вероятность того, что проблема заключается в повреждении электропроводки транспортного средства. Тут уже сами решайте, пытаться решить вопрос своими силами, либо обратиться за помощью к квалифицированным специалистам.

Учитывая сложность электросхем современных автомобилей, более правильным решением будет визит к проверенному автоэлектрику. Но окончательный выбор за вами.
Спасибо всем за внимание! Обязательно подписывайтесь, оставляйте комментарии, задавайте вопросы и приглашайте к нам своих друзей!
Распространенные неполадки со стоп-огнями
Стоп-сигнал

Проверка тормозных ламп и «патронов» стоп-сигналов
- Возникли проблемы с плавкими предохранителем. Он окислился или полностью вышел из строя;
- Есть неисправности в самих лампах или одной лампе, в зависимости от того, сколько стопов не работает;
- Причина кроется в механизме, ответственном за включение предупредительного сигнала при нажатии тормоза;
- В гнезде, куда устанавливается лампочка стопа, окислились контакты;
- Появились более серьезные проблемы, связанные с повреждением проводки.
Неисправность включателя стоп-сигнала
Габаритные огни включаются трёхпозиционным переключателем, расположенным под рычагом переключения скоростей
