Зарядное устройство импульсное для автомобильного аккумулятора своими руками: схема ЗУ для АКБ

Разряд аккумуляторной батареи — это довольно распространенная проблема, с которой сталкиваются многие наши соотечественники. Для восстановления работоспособности АКБ ее необходимо зарядить, для этой цели в продаже можно найти множество видов зарядных приборов. Из каких элементов состоит зарядное устройство импульсное для автомобильного аккумулятора и как его соорудить своими руками — подробнее об этом читайте ниже.
Характеристика прибора
Приборы для зарядки аккумулятора могут быть трансформаторными либо импульсными. Первые сегодня практически неактуальны из-за их больших размеров и веса, а также недостатков, соответственно, востребованность импульсных ЗУ для АКБ только растет.
Устройство и принцип работы
Предназначение такого прибора заключается в восстановлении заряда батареи.
Устройство девайса следующее:
- трансформаторный импульсный механизм;
- выпрямительный узел;
- стабилизатор;
- устройства индикации заряда;
- управляющий модуль, осуществляющий контроль за работой ЗУ.

ИЗУ для автомобильной АКБ от производителя BOSCH
Если вы сравните импульсное зарядное устройство с трансформаторным, то увидите, что все компоненты, которые входят в состав первого, значительно меньше по размерам и весу. Именно поэтому приборы такого типа получили популярность среди соотечественников, тем более, что их вполне можно соорудить в домашних условиях.
Если говорить о принципе действия, то непосредственно сам процесс заряда может осуществляться:
- напряжением постоянным током;
- напряжением с неизменными параметрами;
- еще один способ — комбинированный.
Наиболее оптимальным, а также правильным с точки зрения теории является второй вариант, поскольку именно он позволяет полностью контролировать процесс заряда. В том случае, если вы планируете добиться максимального уровня заряда, в ходе процесса также следует учитывать и значение разряда аккумулятора. Метод постоянного тока — не самый лучший способ, поскольку в данном случае речь идет о быстром процессе заряда. При таком напряжении через пластины батареи проходит высокий ток, в результате чего есть вероятность разрушения пластин АКБ. А это, в свою очередь, приведет к ее неработоспособности, ведь восстановить пластины не получится (автор видео — канал deonich tex).
Что касается последнего способа — комбинированного, то он считается одним из самых щадящих для конструкции аккумулятора. В данном случае через батарею в первую очередь проходит постоянный ток, который впоследствии меняется на переменный, когда батарея будет практически заряжена. После этого ток постепенно снижается, его значение уменьшается почти до нуля, что способствует стабилизации напряжения в целом. По утверждению многих электриков, этот вариант дает возможность если не предотвратить, то как минимуму снизить вероятность выкипания раствора электролита в банках батареи. Соответственно, это способствует и предотвращению возможности выделения газов.
Особенности подбора оборудования
Есть несколько особенностей подбора девайса:
- Во-первых, большинство наших соотечественников при покупке рассчитывают на то, что зарядный прибор при необходимости сможет восстановить работоспособность полностью севшего аккумулятора. Несмотря на то, то импульсное зарядное устройство — это довольно технологичный прибор, не факт, что оно сможет выполнить эту функцию. Покупая девайс в магазине, обязательно нужно уточнить, сможет ли ЗУ справиться с задачей восстановления полностью разряженной батареи.
- Во-вторых, необходимо учитывать значение максимального тока, который будет проходит через аккумуляторную батарею во время зарядки. Здесь же необходимо брать во внимание и уровень напряжения, с которым будет осуществляться зарядка АКБ. Покупая импульсное зарядное устройство, желательно, чтобы прибор имел функцию автоматического отключения либо поддержки, она будет активироваться в том случае, когда АКБ зарядится (автор видеообзора импульсной зарядки — канал Oops of ZikValera).
Советы по эксплуатации
Используя зарядные приборы для аккумуляторов автомобилей, необходимо руководствоваться элементарными правилами эксплуатации.
Для начала нужно запомнить, что при использовании ЗУ важно соблюдать последовательность действий:
- Сначала АКБ извлекается из авто.
- Затем проверяется состояние батареи — внешний вид, корпус, при необходимости очищаются клеммы.
- Затем выкручиваются пробки банок батареи, если нужно, уровень электролита в банках восполняется путем добавления в систему дистиллированной воды.
- После этого к клеммам АКБ покдлючаются щупы зарядного прибора с соблюдением полярности.
- И только после этого ЗУ включается в бытовую сеть.
При выставлении настроек ЗУ нужно также учитывать такие моменты:
- Значение силы тока — этот параметр можно отрегулировать, чтобы сделать это, следует учесть, насколько АКБ разряжена. Если уровень разряда составляет всего 25%, то при включении прибора значение силы тока может увеличиться.
- Напряжение. В процессе заряда значение напряжения должно быть не выше 14.4 В, в противном случае это может отразиться на работе автоаккумулятора в дальнейшем.
- Время, на протяжении которого батарея должна заряжаться. Практически все современные ЗУ оснащаются дисплеями, а также световыми индикаторами, по которым можно определить степень заряда устройства. Если же индикаторы отсутствуют, то вычислить время зарядки можно с помощью значения тока. Если вы заметили, что на протяжении 2 часов сила тока остается на одном уровне, это может сказать о том, что АКБ полностью зарядилась.
Заряжать аккумулятор больше суток нельзя, поскольку это приведет к выкипанию раствора электролита в банках. А это, в свою очередь, может стать причиной замыкания на пластинах.
Инструкция по изготовлению импульсного ЗУ своими руками
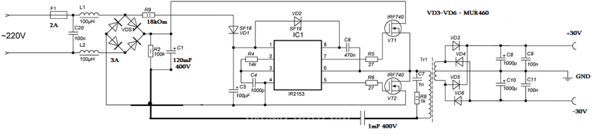
Простая схема для изготовления импульсной зарядки
Сделать ЗУ для автоаккумуляторов можно в домашних условиях, рассмотрим процесс изготовления девайса со схемой IR2153. В этой схеме нет двух конденсаторных элементов, подключенных к средней точке, вместо них устанавливается электролит. По этой схеме можно изготовить девайс, который изначально рассчитан на невысокую мощность, но если вы хотите получить более мощное ЗУ, то можете немного изменить схему, добавив в нее мощные компоненты.
- Схема импульсного зарядного устройства подразумевает использование ключей 8N50, которые оснащаются защитным корпусом. Также вам потребуются и диодные мосты, их не обязательно покупать в магазине, можно взять со старого БП компьютера. Если у вас нет возможности достать такие диоды, то в принципе, мост можно сделать из выпрямительных диодных элементов, потребуется четыре штуки.
- Не менее важным этапом является обустройство цепи питания, для реализации вам понадобится резисторный элемент для гашения тока, наиболее оптимальным вариантом будет резистор на 18 кОм. За резисторным компонентом устанавливается выпрямитель, который монтируется на диоде. В данном случае питание от бытовой сети будет передаваться на плату, это нам подходит. На самом питании нужно будет установить электролит, а его также надо будет соединить с конденсаторным элементом — можно использовать керамическое устройство или пленочное. Конденсатор в обязательном порядке нужно добавить в схему, поскольку это позволит максимально сгладить возможные помехи в работе ЗУ.
- Трансформаторный узел можно взять из старого компьютерного БП, важно убедиться в том, что он рабочий. Устройства, которые ставятся в блоки питания, оптимально подходят для изготовления ЗУ, так как они выдают хороший ток на выходе. Диодные элементы трансформатора должны быть в любом случае импульсными, так как обычные детали будут не в состоянии работать в условиях высокой частоты.
- Что касается фильтрующего элемента, то его использование не является обязательным, но все же добавить фильтр можно. Также в схему можно добавить термистор на 5 Ом и установить его перед фильтром, это позволит добиться максимального снижения помех. К слову, термистор также можно демонтировать из компьютерного БП.
- Не забудьте установить и электролитический конденсаторный компонент, при его выборе необходимо руководствоваться соотношением 1 Вт — 1 мкФ (автор видео о пошаговом изготовлении ЗУ — канал Паяльник TV).
На первый взгляд эта схема может показаться достаточно сложной, но в целом в ее реализации нет ничего сложного. Если вы все сделаете правильно и учтете все моменты и рекомендации, то процесс изготовления не вызовет сложностей, даже если вы никогда ранее не сталкивались с такой задачей.
Фотогалерея «Схемы для изготовления ЗУ»
Ниже представлены более сложные схемы для изготовления зарядных устройств. Если вы владеете навыками, то можете использовать эти схемы.


Видео «Простая инструкция по изготовлению импульсного ЗУ своими руками»
В ролике ниже представлена простая и наглядная инструкция по изготовлению импульсного ЗУ в домашних условиях с описанием схемы и всех основных рабочих моментов (автор видео — канал Blaze Electronics).
