Не Горит Дальний Свет Фар на Ваз 2106. Неисправности и ремонт фар
Реле дальнего и ближнего света «шестерки»
Как уже было сказано, штатные реле дальнего и ближнего света ВАЗ 2106 абсолютно одинаковы, имеют схожие номенклатурные номера по каталогу (90.3747-10 или 113.3747-10), одного типа с реле инициации вентиляторного устройства радиатора охладительного комплекса силовой установки и могут быть заменены друг с другом.
Для подключения реле света на ВАЗ 2106 используются устройства с номенклатурным номером 113.3747, которые установлены в блоковом устройстве монтажного типа. Аналогичные устройства инсталлированы в систему для включения ЭДГ вентиляторного устройства, обогрева кормового стекла и подачи сигнальных звуков.
Напряжение инициации устройства при среднем температурном значении около 23 °С находится в пределах 8 В, а резистентность обмотки устройства при температуре 20°С составляет значение 85±8,5 Ом.
Вместо изделий под каталоговым номером 113.3747 допускается применение обновленных реле дальнего и ближнего света ВАЗ 2106 90.3747-11 в пластмассовом корпусе и с увеличенными габаритами. Также допускается замена изделий 113.3747-10 с крепежным кронштейном на гаджеты с крепежом под номенклатурным значением 90.3747-10 с одинаковыми характеристиками.

Как подключить реле света на ВАЗ 2106 — схема и порядок выполнения работ
- Выворачиваем крепеж и демонтируем реле света фар для последующей замены;
- Запоминаем периодичность подключения электропроводки или помечаем их маркером. Снимаем проводку с разъемов устройства;
- Производим монтаж обновленного устройства в обратной последовательности.
- Устанавливаем и подключаем противотуманные фары на ВАЗ-2114 своими руками (видео внутри)
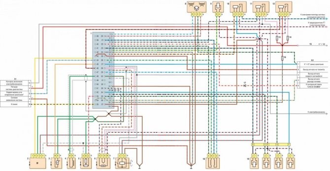
Ближний свет на 2106: возможные причины неисправностей, замена лампочки и предохранителя Если не горит ближний свет на ВАЗ 2106, то для обнаружения неисправности понадобится мультиметр, чтобы прозвонить проводку, или хотя бы контрольная лампочка. Проверять цепь и оборудование следует по схеме, которая приведена ниже.
ВАЗ 2107 — схема инжектора (система управления впрыска топлива)

Большинство реле, а также регулятор напряжения, сосредоточены в подкапотном пространстве.
Расположение реле Ваз 2106 в подкапотном пространстве
При выходе из строя рекомендуется заменять реле в сборе, так как, если сгорела обмотка, или сильно обгорели контакты реле, качественно восстановить его работоспособность затруднительно.
Перегорело реле ближнего и дальнего света Ваз 2106: как исправить проблему
Устранение других неисправностей

На ваз 2106 не горит дальний свет. не работает дальний свет на ваз 2106. не горит дальний свет
- При исправном АКБ отсутствует ток зарядки, из-за чего он не заряжается. Это происходит при плохом присоединении проводов к зажимам реле или при обрыве цепи от генератора к батарее. Устраняется закреплением провода в цепи, проверкой и регулировкой регулятора напряжения и реле-регулятора.
- Недостаточный ток зарядки при разряженной АКБ или большой при полностью заряженном аккумуляторе вызваны нарушением регулировки регулятора напряжения. Устраняется регулировкой устройства или его заменой.
- Горение и перегорание ламп с чрезмерным накалом происходит при нарушении регулировки реле-регулятора или замыкании контактов. Устраняется разъединением и зачисткой замкнувших контактов, регулировкой или заменой регулятора напряжения.
- Большой ток разряда после остановки мотора. Происходит при замыкании контактов реле-регулятора (спекании контактов, поломке пружины якоря) или коротком замыкании электропровода. Ремонтируется нахождением и устранением короткого замыкания при отключенном аккумуляторе, проверкой и регулировкой ограничителя тока, размыканием и зачисткой контактов, заменой пружины с регулировкой ее зазора и натяжения.
Фары ВАЗ 2106 — диаметр оптики и схема подключения передних и задних фонарей В конструкцию бесконтактной системы зажигания входит:
Ремонт освещения
Возможные причины неисправности
Итак, если пропал ближний свет на ВАЗ 2106 в одной из фар, то, как уже было сказано выше, скорее всего, перегорела лампочка.
Если же замена лампы не дала результатов, то неисправности могут быть следующие:
- Окислились или подгорели контакты в колодке ;
- Перегорел предохранитель ;
- Вышло из строя реле ;
- Неисправен выключатель ;
- В цепи произошел обрыв .
Ниже подробней рассмотрим, как диагностировать и устранить неисправность.
Замена лампочки
Прежде всего следует сказать, что лампа ближнего света на ВАЗ 2106 соответствует стандарту H4, т.е. она имеет две нити, что позволяет фаре работать в двух режимах. В настоящее время такие лампочки производят разные компании, как известные бренды, так и малоизвестные фирмы.
Следует отметить, что большой популярностью среди автовладельцев пользуются отечественные лампочки «маяк». На них значительно ниже цена, чем на импортные аналоги, но в то же время они не уступают им по качеству.
Совет!
Менять лампочки желательно одновременно в двух фарах, так как срок эксплуатации у них примерно одинаковый. Кроме того, разные модели ламп могут отличаться свечением.
Инструкция по выполнению этой работы выглядит так:
- Затем крестовой отверткой надо ослабить фиксаторы, которые удерживают фару.
- Далее нужно слегка провернуть металлический обруч, и демонтировать его.

- Теперь можно своими руками вытащить фару и отсоединить ее от колодки. На этом этапе необходимо обратить внимание на контакты разъема. При необходимости их нужно зачистить.
- Затем нужно отстегнуть фиксатор, и извлечь лампочку.
- Далее работа выполняется в обратном порядке – устанавливается новая лампа, которая прижимается фиксатором, и к контактам подключается колодка. Фару в сборе нужно установить на место и зафиксировать обручем. В завершение работы вставляется пластиковая панель, на которую нужно слегка надавить до характерного щелчка.
Обратите внимание!
В процессе замены лампы нельзя касаться пальцами ее стеклянной колбы, иначе она может быстро перегореть.
Если вы взялись все же за стекло, поверхность надо протереть смоченной в спирту ваткой.
На этом процесс замены лампочки завершен.
Замена предохранителей
Если после замены лампочки все равно не горит фара ближнего света на 2106, следует проверить предохранители. Находятся они под панелью приборов.
В данном случае надо обратить внимание на два предохранителя:
Надо сказать, что зачастую не работает ближний свет на ВАЗ 2106 по причине отгибания контактов предохранителя или их окисления. В таком случае их нужно подогнуть и зачистить. Если же защищающий элемент расплавился, его необходимо заменить.
Другие причины
Порядок работы и характеристики реле дальнего и ближнего света «шестерки»

Таблица: схема бесконтактной системы зажигания
- Если же на реле и предохранители не подается напряжение, следует проверить участок проводки от переключателя №5 до клеммы №86 на реле, а также участок от переключателя до выключателя наружного освещения №8. Если проводка машины нормальная, значит, вышел из строя выключатель.
- Если же на предохранители подается напряжение, значит обрыв цепи надо искать на участке от блока до фар. Зачастую поломка заключается в плохом контакте массы. В таком случае нужно лишь зачистить контакт.
Схема бесконтактного зажигания Тщательно осмотрите все провода, а также колодки для подключения к предохранителю и реле. При необходимости затянуть гайки, почистить контакты. И не забывайте о кнопке, идущий к ней провод может отвалиться или просто оторваться. На отечественных автомобилях эту кнопку нужно сначала проверить. Это одно из самых слабых мест!
Инжекторный мотор
Если на ВАЗе установлена инжекторная система зажигания, то скомпонована она по одному принципу.
Задача электрической проводки автомобиля — обеспечить качественную передачу электрического тока всем потребителям, входящих в схему электрооборудования. Если не работает какой-нибудь прибор или узел, прежде чем менять его, необходимо прозвонить электропроводку, которая соединяет его с источником питания и другими компонентами электросети.
Для проверки электросети необходимо приготовить:
Фотогалерея
Если появились проблемы с электроприборами, то следует выполнить следующие действия:
- Проверить напряжение. Для этого мультиметр нужно переключить в режим измерителя напряжения. Один щуп прибора нужно присоединить к массе, роль которой выполняет кузов. Второй подключаем к проводу питания, предварительно сняв его с прибора или устройства. Если тестер показывает наличие напряжения, то все в порядке. Если напряжения нет, источник неисправности находится на отрезке проверяемой цепи.
- Короткое замыкание. При этом в сети полностью отсутствует напряжение. Для проверки в монтажном блоке нужно извлечь плавкий предохранитель, а тестер перевести в режим вольтметра. Один щуп нужно соединить с клеммами в гнезде предохранителя. При этом все приборы, входящие в проверяемый участок сети, должны быть обесточены. Если при шевелении провода на приборе проскакивают цифры, значит провод закорачивает.
- Заземление. Так как в автомобилях ВАЗ в основном используется однопроводная схема проводки, необходимо проверить качество заземления, так как минусом для электрооборудования используется кузов. Во время эксплуатации металлические детали кузова окисляются, покрываются ржавчиной, ослабляется их крепление. В этом случае теряется электрический контакт и электроприборы работают с перебоями.
Проверка заземления осуществляется по следующему алгоритму:
- Снять отрицательную клемму с аккумулятора. Один щуп мультиметра соединить с кузовом машины.
- Второй щуп присоединяется к проверяемому соединению или точке заземления.
- При появлении значений на приборе следует их сверить с рекомендуемыми заводскими параметрами. Если значения совпадают, то заземление в порядке.
Проверка целостности цепи. Это проверка необходима для поиска разрывов цепи.
- Обесточивается проверяемый участок цепи: отсоединяется клемма с минусом на аккумуляторной батарее или вынимается соответствующий предохранитель.
- Для проверки цепи провода мультиметра присоединяются к ее концам, а один из щупов подключается к массе.
- Если на табло появляются цифры, это говорит о целостности цепи. Если на экране ничего не появляется, то в цепи есть разрыв.
При замене электропроводки используют штатную проводку или самодельную с использованием элементов от штатной. Можно использовать проводку от другого автомобиля, если она подходит по своим характеристикам.

| Номер позиции | Элемент электрической цепи |
| 1 | датчик-распределитель зажигания |
| 2 | свечи зажигания |
| 3 | экран |
| 4 | бесконтактный датчик |
| 5 | катушка зажигания |
| 6 | генератор |
| 7 | выключатель зажигания |
| 8 | аккумуляторная батарея |
| 9 | коммутатор |
Электронное зажигание
- в позиции «0» от батареи запитаны только на разъёмы 30 и 30/1, другие обесточены.
- в позиции «I» ток подаётся на разъёмы 30-INT и 30/1–15, при этом под напряжением находятся «габариты», очиститель лобового стекла, вентиляторная система обогрева отопителя, ходовые огни и противотуманные фары;
- в позиции «II» к ранее задействованным разъёмам дополнительно подключается контакт 30–50. При этом в цепь включается система зажигания, стартер, панельные датчики, и «поворотники».
- в позиции «III» задействуется только стартер автомобиля. При этом ток доступен только разъёмам 30-INT и 30/1.
Схема и устройство оптики ВАЗ 2106 Рекомендация: при поломке реле дальнего и ближнего света ВАЗ 2106 предлагается производить замену изделий целиком, т. к. ремонт экономически нецелесообразен из-за дешевизны нового устройства.
Ремонт освещения
Возможные причины неисправности
Итак, если пропал ближний свет на ВАЗ 2106 в одной из фар, то, как уже было сказано выше, скорее всего, перегорела лампочка.
Если же замена лампы не дала результатов, то неисправности могут быть следующие:
- Окислились или подгорели контакты в колодке,
- Перегорел предохранитель,
- Вышло из строя реле,
- Неисправен выключатель,
- В цепи произошел обрыв.
Ниже подробней рассмотрим, как диагностировать и устранить неисправность.
Замена лампочки
Прежде всего следует сказать, что лампа ближнего света на ВАЗ 2106 соответствует стандарту H4, т.е. она имеет две нити, что позволяет фаре работать в двух режимах. В настоящее время такие лампочки производят разные компании, как известные бренды, так и малоизвестные фирмы.
Следует отметить, что большой популярностью среди автовладельцев пользуются отечественные лампочки «маяк». На них значительно ниже цена, чем на импортные аналоги, но в то же время они не уступают им по качеству.
Совет!
Менять лампочки желательно одновременно в двух фарах, так как срок эксплуатации у них примерно одинаковый. Кроме того, разные модели ламп могут отличаться свечением.
Инструкция по выполнению этой работы выглядит так:
- Затем крестовой отверткой надо ослабить фиксаторы, которые удерживают фару.
- Далее нужно слегка провернуть металлический обруч, и демонтировать его.

Фиксирующие фару винты
- Теперь можно своими руками вытащить фару и отсоединить ее от колодки. На этом этапе необходимо обратить внимание на контакты разъема. При необходимости их нужно зачистить.
- Затем нужно отстегнуть фиксатор, и извлечь лампочку.
- Далее работа выполняется в обратном порядке – устанавливается новая лампа, которая прижимается фиксатором, и к контактам подключается колодка. Фару в сборе нужно установить на место и зафиксировать обручем. В завершение работы вставляется пластиковая панель, на которую нужно слегка надавить до характерного щелчка.
Обратите внимание!
В процессе замены лампы нельзя касаться пальцами ее стеклянной колбы, иначе она может быстро перегореть.
Если вы взялись все же за стекло, поверхность надо протереть смоченной в спирту ваткой.
На этом процесс замены лампочки завершен.
Замена предохранителей
Если после замены лампочки все равно не горит фара ближнего света на 2106, следует проверить предохранители. Находятся они под панелью приборов.
В данном случае надо обратить внимание на два предохранителя:
Надо сказать, что зачастую не работает ближний свет на ВАЗ 2106 по причине отгибания контактов предохранителя или их окисления. В таком случае их нужно подогнуть и зачистить. Если же защищающий элемент расплавился, его необходимо заменить.
Ремонт освещения
- Если же на реле и предохранители не подается напряжение, следует проверить участок проводки от переключателя №5 до клеммы №86 на реле, а также участок от переключателя до выключателя наружного освещения №8. Если проводка машины нормальная, значит, вышел из строя выключатель.
- Если же на предохранители подается напряжение, значит обрыв цепи надо искать на участке от блока до фар. Зачастую поломка заключается в плохом контакте массы. В таком случае нужно лишь зачистить контакт.
Фотогалерея предохранители все целые, релюху ближнего, дальнего света менял. И главное при включении габарита или ближнего света на панели приборов не загораются символ ближнего света! получается он вообще не включается! что делать, учите.. .
